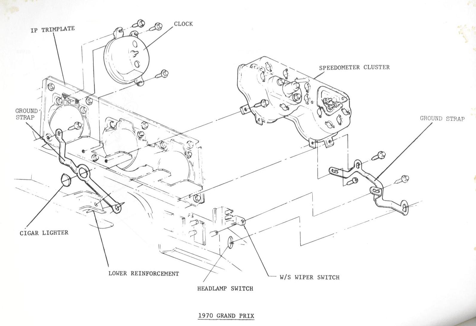
70 IP Grounds



HOME   Cover  Page 1  Page 3  Page 4  Page 5  Page 6